Фотографии и чертежи транспорта
Lada 111
УАЗ-3962
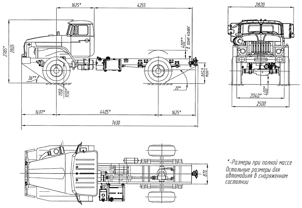
Чертеж Урал 4320 43206-1151-61 4x4
Кабина пилота МиГ-21
Чертеж ЛиАЗ-677В
  • 1843
  • 1844
  • 1845
  • 1846
  • 1847
  • 1848
  • 1849
  • 1850
  • 1851
  • 1852

Просмотр категорий

  • Забыли пароль?
  • Забыли логин?

Этот день в истории

Нет событий